01.EFR Scheme for Low Power SRAM;
02.Chip Architecture;
03.Results;
04.Source Line Voltage Control Technique
本文主要介绍一种新的设计架构来获得更低的静态功耗,电源电压控制技术(source line voltage control techniques)。传统设计中,power line的电压为某一常数值来保证SRAM稳定工作。在此,新方法中通过控制power line电压来改善漏电状况。
首先,描述了在手机低电压SRAM cell中使用的**electric field relaxation(EFR)**电路。采用更高的阈值电压,有助于减小SRAM cell的静态功耗。
其次,描述了在移动蜂窝电话应用处理器中集成的SRAM减小漏电流的设计技术。采用较低的阈值电压,有助于获得SRAM cell更低的获取时间(low access time)。
EFR Scheme for Low Power SRAM
EFR电路如图1所示,它能从电路级别消除泄漏电流。在保持阶段(retention mode),对于bit lines(BT and BB)用1.0V的供电替换原先1.5V的供电,同时VSSM从0提升到0.5V。

Fig. 1 Electric field relaxation scheme
黑色的实线箭头表示bit lines(BT and BB)从1.5V替换为1.0V的差异。这种relaxation能减小gate leakage和GIDL currents大约90%。
灰色的实线箭头表示负的0.5v VGS应用到transfer nMOS晶体管。负偏压能够将subthreshold leakagecurrent降到接近0。
圆点的箭头表示负的0.5V back-bodybias电压VBB应用到driver nMOS晶体管。这个反偏压能减小subthreshold leakage current大约90%。
以上是MOS管的source电压和衬底之间电压由0变为0.5V的区别,但是,the band-to-band tunneling leakage仍然没有改善。
图2给出了在25℃(Fig.2a)和90℃(Fig.2b)温度环境下,对传统设计方式和EFR设计方式的SRAM cells在最坏的工艺环境下(the worst-case process)静态泄漏电流的测试数据。每种器件类型合计了subthreshold和GIDL currents。
Fig. 2 Measured SRAM cell leakagecurrent; (a) 25ıC/worst case (b) 90ıC/worst case
在两个例子中,pMOS的阈值电压为1.0V,在25℃和90℃中两者的subthreshold leakage均比GIDL currents小得多。nMOS的阈值电压为0.7V,subthreshold leakage current相对于GIDLcurrent在25℃更小,但在90℃更大。cell的静态泄漏功耗在EFR设计中25℃时为16.6fA,90℃时为101.7fA,分别相比于传统设计的cell小82.5%和91.8%。
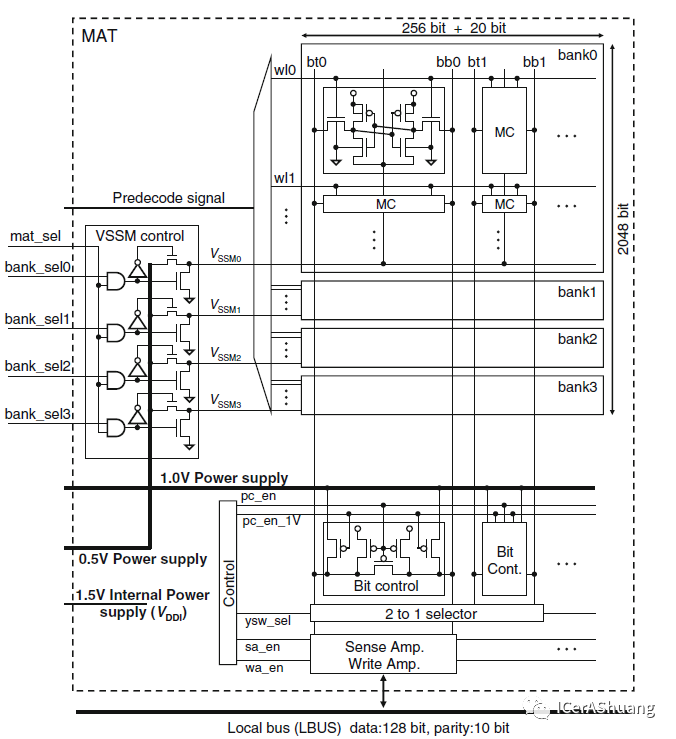
Chip Architecture
Fig.3 Circuit diagram of one mat
图3展示了SRAM芯片某一簇(mat)的电路图,整个SRAM chip 有32 mats。每个mat由2048 word lines构成的256-data-bit和20-parity-bit columns组成,且每个mat被划分为4个bank。
读操作的仿真时序图在Fig4中展示。该SRAM是异步的,如果地址信号不发生改变SRAM将保持retention mode,如果地址信号改变,SRAM由retention mode转换为active mode,产生一个ATD 脉冲,激活reset 操作。
在4.3ns的reset期间,选中的bank中memory cell的VSS line(VSSM)从0.5V下拉到0V,同时bit-line pairs(BT,and BB)从1.0V预充为1.5V。
传统异步SRAM中通常是在reset time时,bit-line pair由0v预充为1.5V,在我们的EFR电路设计中,我们可以容易的在reset time期间为bit-line预充和VSSM放电。另外,由于EFR电路和asynchronous SRAM上述类似,access time不会增加。

Fig. 4 Simulated waveforms for readoperation
随后word line(wl)激活。随着sense amplifiers的激活,选中的128 bits of data 和10 parity bits出现在local bus(LBUS)。为了减少对power supplies噪声的产生,VSSM被控制在bank level而不是在mat level。这种控制方法可以保持VSS的噪声低于32mV,这个结果在仿真中通过power supply nets可以观察得到。VSSM line由第三层金属加强来以控制VSSM从0.5到0V。在完成读操作的500us内,VSSM line非常慢的恢复到0.5V。在读操作完成的100ms内由漏电流作用,bit-line pairs容易的恢复回1.0V。因此,复位操作很难影响到动态功耗。
Results

Fig. 5 Photograph and features of thechip
Source Line Voltage Control Technique
本节描述聚焦于移动电话应用处理器的减小漏电流技术。通常,集成在应用处理器中的SRAM会使用较低的阈值电压。因此,主要的泄漏电流是subthreshold leakage current。为了减小SRAM cells在未选通状态下的泄漏电流,便提出了source line voltage control 技术,来控制powerline电压,并保持最小限度地牺牲操作稳定性。
SRAM的Power supply voltage控制为VDD和VSS的中间电位,中间电位电压同时减小泄露电流以及数据保持电流。中间电压的产生由一个简单的电路实现,因为如果采用复杂电路,会有额外的功耗和面积代价。这一节介绍一个简单的电压控制电路,包括电压切换选择,电阻和二极管,此电路可以降低额外的功耗和面积代价。
Fig. 6 Leakage and stability vs. localpower line voltage
SRAM模块必须满足其性能目标,设计能实现足够稳定的保存数据。控制VSSM的电压来减小memory cell的leakage时,更高的VSSM能减小SRAM cell leakage到一个更小的级别。另一方面,也能破坏SRAM的数据保持稳定性。这样的关系在图6中描述。为了满足low leakage 和high stability,VSSM必须被控制到能满足leakage目标的最低电压。图7展示了VSSM控制电路,PLVC1,由3个NMOSFETS组成。一个NMOSFET作为在VSSM和VSS之间的电压切换(MS1),一个作为二极管(MD1),另一个作为电阻(MR1)。MR1有一个长的栅极且保持常开。

Fig. 7 VSSM controller in embedded SRAM
由130nm制造工艺生产的memory,其cell的主要leakage current 是subthreshold current,很大程度受阈值电压变化的影响。例如,Vth减小100mV,subthreshold leakage增加超过十倍,而MOSFET的驱动电流仅增加10%。
当制造的MOSFET 阈值电压Vth波动到一个高值,memory cell的leakage会大大减小。
因为MR1为开启状态,电流通过MR1轻微的减小。如果MR1的电流比memory cell leakage电流大,VSSM电压变低。
当阈值电压Vth波动到较低的值,VSSM为高,但是MD1能限制VSSM上升,保持为某一电压。这样保持足够低的电压来保持存储的数据。
图8展示了MOSFET制造的阈值电压Vth和VSSM电压的对比。横轴展示了阈值电压Vth设计的理想值和生产制造的差异,受工艺变化而变化。当制造晶体管的阈值电压Vth低,leakage current高,VSSM 电压必须为高来减小leakage current。当制造晶体管为高,leakage current 为低,VSSM电压需要保持低来确保SRAM的retention 稳定性。

Fig.8 VSSM voltage when Vth is changed
虚线描绘了满足leakage 目标且最大化cell 稳定性的理想情况。如果MOSFET为worst-leakage 器件,MOSFET的阈值电压Vth低于设计值0.1V,VSSM需要高出0.3V来满足leakage目标。
如果voltage controller仅有power switch和diode组成,VSSM电压如图中(a)线所示,能满足leakage 目标,但是memory cell的稳定性降低。
如果voltage controller PLVC1由constant-voltage source 电路构成,VSSM电压如图中(b)线所示,能满足leakage 目标,且稳定性要好于线(a),但是memory cell的稳定性仍然低。
因此,使用三种类型的MOSFETs,MS1,MD1和MR1,作为voltage controller,VSSM电压(图8中粗线)趋近于理想值。这些值能满足leakage目标,且保持了更高的稳定性。PLVC1能同时满足leakage目标且保持SRAM高的稳定性。
Fig.9 Effect of leakage reduction in1-Mbit leakage-worst embedded SRAM
在图9中,陈述了1-Mbit SRAM(图8) 的leakage current。使用leakage降低技术,leakage current能减少大约90%。在图10中给出了130nm SRAM 芯片模型的特征和照片信息。
Fig. 10 Photograph and features of theprototype chip
Ref*:*Low Power and Reliable SRAM memory Cell and Array Design