在SRAM中,读写操作是最基本的,为了保证读写功能可以正常实现,我们需要分开来分析测试读写操作的稳定性,本文便详细阐释了SRAM读写操作的电学稳定性。
Read and Write Operatioins

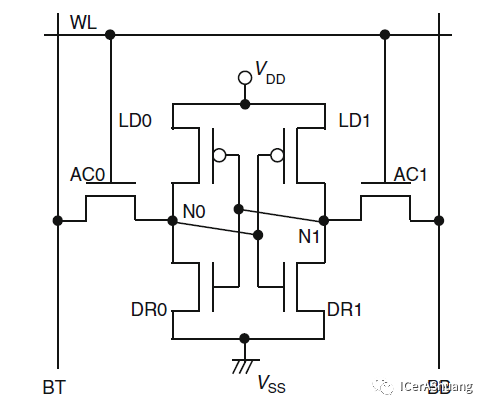
Fig.1 SRAM memory cell
图1为CMOS 6-T SRAM电路图,图2为其读写操作波形。

Fig.2 Fundamental waveform of SRAM operation
**当写****入数据“0”(W“0”)**时,word line(WL)被激活,bit line根据输入数据值被驱动到“H”和“L”状态。存储节点的电压发生翻转,输入数据写入到数据存储节点中。
**当从ce****ll中读“0”(R“0”)**时,所有bit line被预充为“H”,激活WL。原先保存在数据节点的数据使bit lines出现电压差。电压差通过灵敏放大器(sense amplifier)放大,保持的数据(retained data)被读出。
**当写入数据“1”到cell中,****且写入失败(W “1” write failure case)**时,存储节点(N0/N1)的电压没有翻转,正确的数据没有写入cell中。在下一个读周期,不正确的数据“0”被读出。
**当读数据“1”,且读出失败(R1 read failure case)**时,存储节点的电压(N0/N1)发生翻转,存储节点的保持数据(retained data)被破坏。
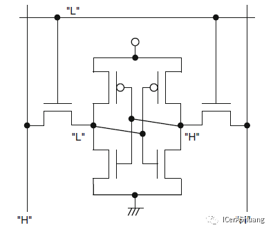
图3为SRAM memory保持数据情形,存储节点N0和N1,保持相反的状态,“H”和“L”。word line 为“L”。

Fig.3 SRAM cell condition during data retention
如下图4所示,Memory cell读过程中,右边的节点N1,状态为"H",左边的节点状态为"L"。在读之前,bit lines被预充电到"H"状态。读的过程中,word lines变为"H"状态,存取管(access MOSs)导通打开。读cell电流Iread从access MOS到“L”-state的存储节点流动,对预充的bit line放电。

Fig.4 Read operation of SRAM cell
图5a电压波形是SRAM cell在正常读数据的过程中,每个存储节点的电压变化。正常读数据时,存储节点的电压不会发生翻转。图5b为memory cell正常操作的butterfly cruves,用来评估静态噪声裕量(SNM)。两条线之间有两个密闭空隙(space),意味着SRAM读操作的SNM是足够的。

Fig.5 Voltage waveforms and butterfly curves during normal read operation.
(a) SRAM cell nodes during normal read operation.
(b) Butterfly curves to estimate SNM
在读操作期间,由于access MOS和driver MOS之间的电阻分压,存储节点的“L"-state被提升。如果存储节点电压“L”-state的提升值超过了由driver MOS,DR1和loadMOS,LD1组成的反相器的逻辑中点电压,保持数据将翻转**,被破坏(6a)**。这种情况就是memory cell读失败。图6b是memory cell读数据失败对应的butterfly curves,两条曲线之间只有一个空隙,SRAM能正常读的SNM是不够的。

Fig.6 Voltage waveforms and butterfly curves during failure read operation.
(a) SRAM cell nodes during failureread operation.
(b) Butterfly curves to estimate SNM

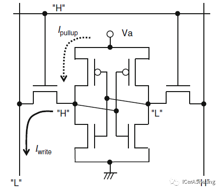
Fig.7 Write operation of SRAM cell
关于写操作,如图7,在写之前,左边存储节点N0是“H” state,右边存储节点N1是“L” state。当要写的数据到达bit lines时,“H” state存储节点经过access MOS放电,写操作cell电流Iwrite,在图中用实线箭头标出。当“H”电位节点被放电至“L”电位时,节点的电压此时发生翻转,写操作完成(图8)。
在写的过程中,load MOS通过上拉电流Ipullup充电,如图3.7中虚线箭头所示。因此,如果load MOS充电的电流比access MOS放电电流大的话,存储节点“H”电位不会放电,节点电压不发生翻转,写操作失败(图9)。

Fig.8 SRAM cell nodes during normal write operation

Fig.9 SRAM cell nodes during failure write operation
Sum
在SRAM cell 中,加强读操作和写操作稳定性的设计方法是一个矛盾的关系。例如,在表1中促使读操作和写操作更稳定的方法。所以,很难同时提高读和写操作的稳定性。在所有的130nm之前的传统制造工艺中,在SRAM cell中有更大的电压工作空间,可以同时保证稳定性,不会出问题。在更近的制造工艺中,随着MOSFETs中Vth变化(variation),电压工作空间(operation margin)减小,SRAM cell中MOSFET电流随着Vth变化而波动(fluctuated)。
除此之外,Vth variations会破坏在读和写操作期间MOSFET电流的平衡。因此,在SRAM cell设计阶段,最大化SRAM cell的operatingmargin,包括读和写的margin是必不可少的。Vth是MOSFET的一个很好的参数表征,它几乎完全可以指示晶体管的性能。
Table.1 Drivability change to enhancestability of each operation

为了实现最大化的operating-margins,需要更准确的SRAM operating margins,在本书第3章中,对于受MOSFET Vth variation而影响的SRAM operating margins分析做了进一步描述,这里不再细说。